Реле регулятор напряжения 844.3702 для ВАЗ 2110-2172 с генератором 9402.3701-03 и для ВАЗ 2123
Реле регулятор напряжения 844.3702 для ВАЗ 2110-2172 с генератором 9402.3701-03 и для ВАЗ 2123 с генератором 9402.3701-04
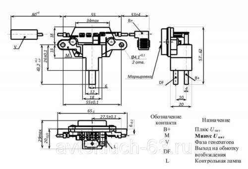
Описание
Реле регулятор напряжения 83.3702. Производство: Орбита г. Саранск.
Применяемость:
- ВАЗ 2170-2172,
- ВАЗ 2110-2112, с генератором 9402.3701-03
- ВАЗ - 2123 Шевроле Нива с генератором 9402.3701-04.
Возможность использования
Данный регулятор напряжения используется совместно с выпрямительными ограничительными блоками без дополнительных диодов в составе генераторов.
Особенности конструкции
- Для сглаживания переходных процессов и уменьшения механических нагрузок на приводной ремень генератора регулятор напряжения имеет функции плавного возбуждения генератора и плавной реакции на подключаемую электрическую нагрузку максимальной длительностью 2,5±0,5сек.
- В регуляторе напряжения предусмотрена возможность световой индикации неисправностей генераторной установки по высокому и низкому напряжению на выходе генератора, низкому напряжению на фазе генератора (например, в случае обрыва приводного ремня генератора), а также в случае короткого замыкания по цепи возбуждения.
Технические характеристики многофункционального регулятора напряжения со щёточным узлом (МФРН) 844.3702
|
Технические данные |
844.3702 |
|
Диапазон рабочих температур, ?С |
- 50 …+125 |
|
Напряжение регулирования с АкБ при t? = 25±10?С и нагрузке генератора 5А, В |
14,25 … 14,75 |
|
Максимальный ток выходной цепи, А |
5,0 |
|
Коэффициент термокомпенсации Uрег, мВ/?С |
-7,0 ± 1,5 |
|
Остаточное напряжение на выходе при токе 5А, В |
не более 0,8 |
|
Верхний порог индикации по входу, В |
16,1 … 17,2 |
|
Нижний порог индикации по входу, В |
10,6 … 11,7 |
|
Порог индикации по низкому фазному напряжению, В |
3,5… 8,0 |
|
Длительность плавного подключения нагрузки (LRC-функция), сек |
2,5 ± 0,5 |
|
Максимально допустимое длительное воздействие повышенного напряжения питания, В |
30 |
|
Максимально допустимые импульсные перенапряжения по ГОСТ 28751, В |
тип импульсов 5, степень жёсткости II, функциональный класс В |
|
Пороговый ток защиты по цепи возбуждения, А |
7,0 … 12,0. |
|
Пороговый ток защиты по цепи индикаторного элемента, А |
1,0 … 2,0. |
Характеристики
|
Тип техники
|
Легковой автомобиль |
|
Марка
|
Орбита |
|
Тип запчасти
|
Реле напряжения |
|
Модель
|
2113-2123 |
|
Код запчасти
|
844.3702 |
Оформить заказ на нашем сайте легко. Просто добавьте выбранные товары в корзину, а затем перейдите на страницу Корзина, проверьте правильность заказанных позиций и нажмите кнопку «Оформить заказ» или «Быстрый заказ».
Функция «Быстрый заказ» позволяет покупателю не проходить всю процедуру оформления заказа самостоятельно. Вы заполняете форму, и через короткое время вам перезвонит менеджер магазина. Он уточнит все условия заказа, ответит на вопросы, касающиеся качества товара, его особенностей. А также подскажет о вариантах оплаты и доставки.
По результатам звонка, пользователь либо, получив уточнения, самостоятельно оформляет заказ, укомплектовав его необходимыми позициями, либо соглашается на оформление в том виде, в котором есть сейчас. Получает подтверждение на почту или на мобильный телефон и ждёт доставки.
Выберите из списка название вашего региона и населённого пункта. Если вы не нашли свой населённый пункт в списке, выберите значение «Другое местоположение» и впишите название своего населённого пункта в графу «Город». Введите правильный индекс.
В зависимости от места жительства вам предложат варианты доставки. Выберите любой удобный способ.
Оплата
Выберите оптимальный способ оплаты.
Введите данные о себе: ФИО, адрес доставки, номер телефона. В поле «Комментарии к заказу» введите сведения, которые могут пригодиться курьеру, например: подъезды в доме считаются справа налево.
Проверьте правильность ввода информации: позиции заказа, выбор местоположения, данные о покупателе. Нажмите кнопку «Оформить заказ».
Наш сервис запоминает данные о пользователе, информацию о заказе и в следующий раз предложит вам повторить к вводу данные предыдущего заказа. Если условия вам не подходят, выбирайте другие варианты.
Вы можете выбрать один из трёх вариантов оплаты:
Оплата наличными доступна при самовывозе из нашего розничного магазина в городе Тольятти. Приезжайте, будем рады видеть Вас в нашем магазине.
Отправка заказов наложенным платежом, возможна после предварительной оплаты доставки. Это связано с тем, что участились случаи не выкупа посылок, отправленных полностью наложенным платежом. В связи с чем мы терпим убытки, оплачивая услуги почты России по доставке в обе стороны.
Сумма предоплаты рассчитывается индивидуально, сумма заказа должна быть не менее 1500 рублей.
Уважаемые клиенты, в дальние регионы отсылка товара осуществляется только по предоплате.
При оформлении заказа в корзине вы можете выбрать вариант безналичной оплаты. Мы принимаем карты Visa и Master Card.
После оформления заказа – ожидайте звонка от нашего менеджера для согласования условий оплаты и доставки.
Реквизиты для оплаты Вам пришлет менеджер на электронную почту или на телефон в смс-сообщении после того как вы дадите согласие по телефону о цене и способе доставки.
Информация для организаций и ИП:
- На сайте информация по ценам представлена для физических лиц.
- Цена на товар для юридических лиц увеличится на 10-15 %. Работаем без НДС.
Минимальная сумма заказа по безналичному расчету - 3000 рублей.
Наш интернет-магазин предлагает несколько вариантов доставки:
- почта России;
- транспортные компании;
- курьерская;
- самовывоз из магазина;
Курьерская доставка возможна только по городу Тольятти.
Цена доставки: 200-400 рублей (в зависимости от района).
Оплата товара производится наличными в момент вручения заказа.
Вы можете забрать товар из розничного магазина в городе Тольятти. Желательно предварительно сделать заказ на сайте или позвонить по телефону для уточнения наличия товара.
Вы можете заказать доставку через почту России. Сразу по прибытии товара, на ваш адрес придет извещение о посылке. Также Вы сможете отследить прохождение своей посылки по трек-номеру, который будет выслан Вам на телефон почтой России при принятии к доставке отправления. Очень габаритные и тяжелые посылки отправляются только транспортными компаниями.
Доставка транспортной компанией – самый удобный и быстрый способ доставки. Доставка возможна, если в Вашем городе есть представительство одной из транспортных компаний:
- ТК «Энергия» - http://nrg-tk.ru
- ТК «Деловые линии» - http://dellin.ru
- ТК «СДЕК» - http://edostavka.ru
- ТК «ЖелДорЭкспедиция» - http://jde.ru
- ТК «ПЭК» - https://pecom.ru
- ТК «GTD» - https://gtdel.com (бывший КИТ)



